Toll Free:1-800-929-1673
6820 Easthaven Blvd, Houston, TX 77017
Phone: 713-947-3393 Fax: 713-947-2673
  • Home
  • About
    • History
    • Suppliers
    • News
  • Products
    • Gate Valve
    • Globe Valve
    • Check Valve
    • Ball Valve
    • Instrument Valve
    • Control Valve
    • Actuator
  • Services
    • Repair
    • Modification
    • Testing
    • Field Service
    • OEM Support
  • Industries
    • Oil & Gas
    • Petrochemical
    • Power
    • Mining
  • Contact
  • Industries
  • Oil & Gas
  • Petrochemical
  • Power
  • Mining
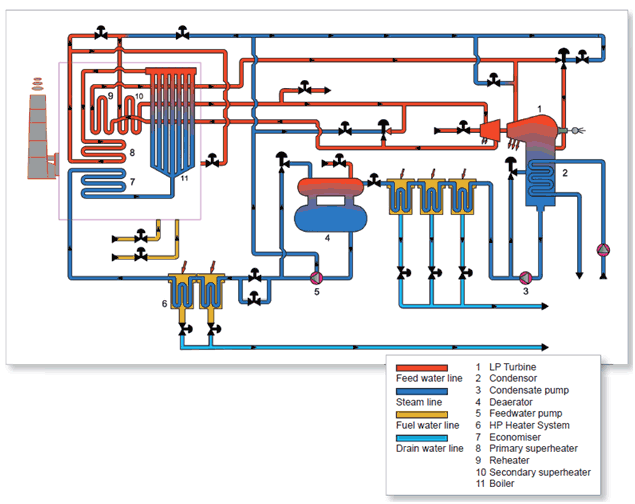
Power

The design of today's Power Plants, with their combination of high pressures and temperatures, resulted in yesterday's valves being totally unsuitable for performance and reliability.



Boiler System
Continuous Blowdown valves
Exhaust / isolation valves on drum
Drain / exhaust valves on superheater
Bypass valves on superheater
Drain valves on economizer
Sampling valves on economizer
Drain/ exhaust valves on wall tube
Isolation valves on boiler indicator
Bypass valves on steam trap
Isolation valves on steam trap
Isolation valves on soot blower
Drain valves on soot blower
Bypass valves on soot blower


Turbine System
Drain valves on main steam system
Isolation valves on bypass pipelines
Bypass valves
Valves in extract system

Feed Pump and Heating System
Bypass valves on HP feed pump
Isolation valves on feed water heater
Drain valves on feed water heater
Drain valves on feed pump
Circulation valves on feed pump
Circulation valves on feed water boost pump
Drain valves on heater
Drain valves on de-aerator
Drain valves on condenser

Illustration of valve application in power plant